加微信聯系
[HTML]
[XML]
産品展示
新聞中心
技術支持
網站首頁
公司介紹
産品展示
行業資訊
技術支持
樣本下載
産品應用
在線訂購
在線留言
聯系我們
産品分類:
減速機
┊
蝸輪絲杆升降機
┊
轉向箱
┊
蝸輪蝸杆減速機
┊
齒輪減速機
┊
行星齒輪減速機
┊
擺線針輪減速機
┊
無級變速機
┊
大功率減速器
┊
資訊分類
新聞中心
技術支持
産品資訊
和産品相關的技術文章
SWL蝸輪絲杆升降機
TRSS系列絲杆升降機
JWM螺旋升降機
T螺旋傘齒輪轉向箱
ARA螺旋錐齒輪轉向箱
HD螺旋錐齒換向器
R系列斜齒輪硬齒面減速機
S系列斜齒輪蝸輪減速機
K系列螺旋錐齒輪減速機
F系列平行軸斜齒輪減速機
RV系列蝸輪蝸杆減速機
WP鑄鐵蝸輪蝸杆減速機
伺服行星減速機
P系列行星齒輪減速器
X/B系列擺線針輪減速機
WB微型擺線減速機
MB無級變速機
G全封閉齒輪減速電機
MC硬齒面減速器
HB标準工業齒輪箱
Z系列硬齒面圓柱齒輪減速機
當前位置:
網站首頁
>
技術支持
> 立卧式電機外形尺寸圖 Y2-71B35,YF-71B35,250W與370W 實物圖
立卧式電機外形尺寸圖 Y2-71B35,YF-71B35,250W與370W 實物圖
Tags:
TRSS系列絲杆升降機
發布時間: 2023-08-29
普通三相異步電機,常規的是立式或者卧式,另外也有立式和卧式一體的電機,代碼爲B35。一般是在立式電機的基礎上,加裝卧式底腳闆,這樣不管立式還是卧式都可以安裝。
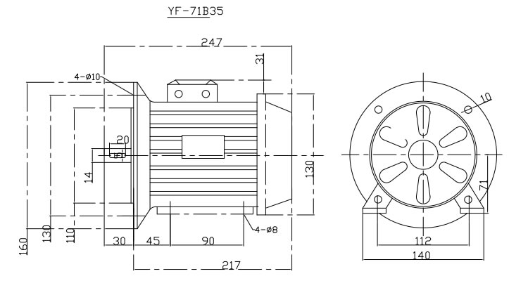
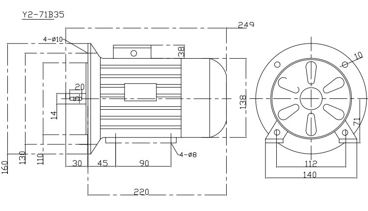
下面以250W/370W爲例,這款以71機座爲基礎的電機,輸出法蘭是71B5,法蘭外圓是160mm,安裝孔130,定位110,輸出軸徑14,軸長30,同時又配有安裝底腳,安裝孔孔距爲90*112,中心高爲71,附圖:
Y2-71B35 250W與370W立卧式電(diàn)機(jī)外形尺寸圖 :
YF-71B35 250W與370W立卧式電(diàn)機(jī)外形尺寸圖 :
Y2-71B35,YF-71B35,250W與370W立卧式電機 實物圖 :
上一篇:
2023國際精密加工博覽會( PME CHINA)
下一篇:
T系列螺旋傘齒輪轉向箱-安裝與維護
相關新聞文章
> 查看更多
軸承異響-潤滑失效與污染侵入
2026-01-20
如何提高數控機床可靠性?
2025-12-09
Q235和45鋼加工後的表面,有什麽不同
2025-11-18
等離子弧切割是用什麽方法将電弧壓縮爲等離子弧
2025-10-24
什麽叫鉚接,常用的鉚釘有幾種,鉚接的種類有哪幾種
2025-09-22
如何選擇合适的數控機床
2025-07-03
FAG進口軸承 後置代号是如何表示公差等級
2025-04-07
什麽是預緊?軸承預緊的目的是什麽?
2025-02-11
直線運動滾動支承分爲幾類?
2025-01-10
滾動軸承按外徑尺寸共分哪幾類?
2024-12-09
徑向遊隙對軸性能有什麽影響
2024-11-19
在說明書上寫著變速範圍60~6Hz,即10:1,那麽在6Hz以下就沒有輸出功率嗎?
2024-10-09
【
關閉本頁
】 【
打印本頁
】
電 話:021-22815912 021-22816186 傳 真:021-32050712 郵箱:sales@021jsj.cn
減速機
絲杆升降機
轉向箱
蝸輪蝸杆減速機
Copyright
©
2009-2026
上海恒點傳動設備有限公司
版權所有 地址:上海市金山區亭林鎮林寶路39号 郵編:200442
滬ICP備10206998号-2
友情鏈接
:
機械設備網
|
渦街流量計
|
輸送機
|
變頻控制櫃
|
破碎機
|
工業同城
|
手持終端
|
柴油發電機
|
uv平闆打印機
|
風淋室
|
QUV
|
防火門
|
九愛圖紙
|
感應加熱設備
|
輸送帶廠家
|
噪聲治理
|
西門子plc
|
拖鏈電纜
|
AGV
|
機械雜志
|
現代機械
|
UWB高精度定位
|
×
手機用戶請長(zhǎng)按添加到“照片”,然後(hòu)打開微信掃一掃選擇二維碼。