上海恒點傳動設備有限公司
加微信聯系 恒點減速機QQ2:51228482
[HTML] [XML]  産品展示産品展示-RSS  新聞中心新聞中心-RSS  技術支持技術支持-RSS
産品分類: 減速機蝸輪絲杆升降機轉向箱蝸輪蝸杆減速機齒輪減速機行星齒輪減速機擺線針輪減速機無級變速機大功率減速器
上海恒點傳動設備有限公司
當前位置:網站首頁 > R系列斜齒輪硬齒面減速機 > R系列輸入功率及許用轉矩,減速機重量表,結構示意圖

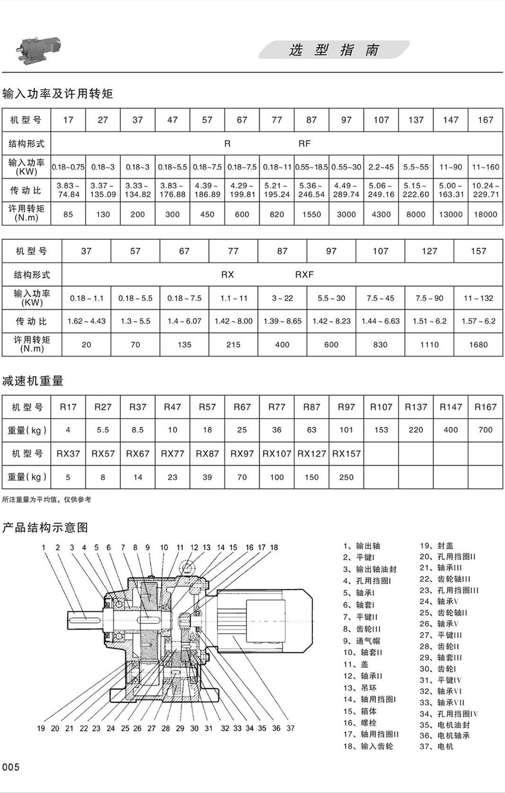
R系列輸入功率及許用轉矩,減速機重量表,結構示意圖 - R系列斜齒輪硬齒面減速機

快速切換 選型參數及尺寸參數
R系列輸入功率及許用轉矩:最小功率0.18KW,最大功率160KW,最小速比3.83,最大速比229.71,最小轉矩85N.m,最大轉矩18000N.m,減速機重量表R17:4KG;R27:5.5KG;R37:8.5KG;R47:10KG;R57:18KG;R67:25KG;R77:36KG;R87:63KG;R97:101KG;R107:153KG;R137:220KG;R147:400KG;R167:700KG,..RX37:5KG;RX57:8KG;RX67:14KG;RX77:23KG;RX87:39KG;RX97:70KG;RX107:100KG;RX127:150KG;RX157:250KG;結構示意圖
R系列輸入功率及許用轉矩,減速機重量表,結構示意圖

關閉本頁】 【打印本頁回到頂部
上一篇 上一篇:R系列減速機型号表示方法, 安裝形式,接線盒位置 下一篇 下一篇 :R系列減速機的潤滑油量表

R系列斜齒輪硬齒面減速機 詳細選型參數及尺寸參數:

1 - R系列減速機的設計方案 2 - R系列減速機型号表示方法, 安裝形式,接線盒位置
3 - R系列輸入功率及許用轉矩,減速機(jī)重量表,結構(gòu)示意圖 4 - R系列減速機的潤滑油量表
5 - R系列減速機選型參數表-0.18KW 6 - R系列減速機選型參數表-0.25KW
7 - R系列減速機選型參數表-0.37KW 8 - R系列減速機選型參數表-0.55KW
9 - R系列減速機選型參數表-0.75KW 10 - R系列減速機選型參數表-1.1KW
11 - R系列減速機選型參數表-1.5KW 12 - R系列減速機選型參數表-2.2KW
13 - R系列減速機選型參數表-3/4KW 14 - R系列減速機選型參數表-5.5/7.5KW
15 - R系列減速機選型參數表-11KW 16 - R系列減速機選型參數表-15KW
17 - R系列減速機選型參數表-18.5KW 18 - R系列減速機選型參數表-22/30KW
19 - R系列減速機選型參數表-37/45KW 20 - R系列減速機選型參數表-55/75/90KW
21 - R系列減速機選型參數表-110/132/160KW 22 - 按扭矩選130 200 300 450 600 820 1550 3000N.m
23 - 按扭矩選4300 8000 13000 18000N.m 24 - RX37 RXF37 RXS37外形安裝尺寸圖(輸出軸徑20)
25 - RX57 RXF57 RXS57外形安裝尺寸圖(輸出軸徑20) 26 - RX67 RXF67 RXS67外形安裝尺寸圖(輸出軸徑25)
27 - RX77 RXF77 RXS77外形安裝尺寸圖(輸出軸徑30) 28 - RX87 RXF87 RXS87外形安裝尺寸圖(輸出軸徑40)
29 - RX97 RXF97 RXS97外形安裝尺寸圖(輸出軸徑50) 30 - RX107 RXF107 RXS107外形安裝尺寸圖(輸出軸徑60)
31 - RX127/157 RXF127/157 RXS127/157外形安裝尺寸圖(輸出軸徑75/90) 32 - R17 RF17外形安裝尺寸圖(輸出軸徑20)
33 - R27 RF27 RS27外形安裝尺寸圖(輸出軸徑25) 34 - R37 RF37 RS37外形安裝尺寸圖(輸出軸徑25)
35 - R47 RF47 RS47外形安裝尺寸圖(輸出軸徑30) 36 - R57 RF57 RS57外形安裝尺寸圖(輸出軸徑35)
37 - R67 RF67 RS67外形安裝尺寸圖(輸出軸徑35) 38 - R77 RF77 RS77外形安裝尺寸圖(輸出軸徑40)
39 - R87 RF87 RS87外形安裝尺寸圖(輸出軸徑50) 40 - R97 RF97 RS97外形安裝尺寸圖(輸出軸徑60)
41 - R107 RF107 RS107外形安裝尺寸圖(輸出軸徑70) 42 - R137 RF137 RS137外形安裝尺寸圖(輸出軸徑90)
43 - R147 RF147 RS147外形安裝尺寸圖(輸出軸徑110) 44 - R167 RF167 RS167外形安裝尺寸圖(輸出軸徑120)

電 話:021-22815912  021-22816186  傳 真:021-32050712   郵箱:sales@021jsj.cn  減速機 絲杆升降機 轉向箱 蝸輪蝸杆減速機
Copyright©2009-2026上海恒點傳動設備有限公司 版權所有  地址:上海市金山區亭林鎮林寶路39号  郵編:200442  滬ICP備10206998号-2 
友情鏈接機械設備網 | 渦街流量計 | 輸送機 | 變頻控制櫃 | 破碎機 | 工業同城 | 手持終端 | 柴油發電機 | uv平闆打印機 | 風淋室 | QUV | 防火門 | 九愛圖紙 | 感應加熱設備 | 輸送帶廠家 | 噪聲治理 | 西門子plc | 拖鏈電纜 | AGV | 機械雜志 | 現代機械 | UWB高精度定位 |